I. Project Background
With China’s “dual carbon” goals, the PV power generation industry has new growth opportunities and strong prospects.The State Council issued a Notice on the Action Plan for Carbon Peak by 2030.It clearly proposes that total installed wind and solar power capacity should exceed 1.2 billion kilowatts by 2030.With distributed PV power generation projects gaining widespread adoption in industrial-commercial settings, industrial parks, and residential communities, the environmental benefits of grid-connected solar power generation have become increasingly evident.
However, the low power factor issue arising from grid integration has emerged as a common challenge for many users. Factors like the natural output of solar systems can lower the power factor in circuits. Poor reactive power matching on the grid can also reduce the power factor.
This failure to meet power utility rules for assessments leads to extra power factor penalties. These penalties raise operating costs for consumers and hurt the economic viability of solar projects. In severe cases, these issues may even compromise the stable and efficient operation of power grids.
II. Industry Status Quo
According to the "Power Factor Adjustment Electricity Fee Measures", general industrial users must maintain a monthly average power factor of at least 0.9 to avoid electricity penalties. Currently, most factories employ traditional capacitor switching for reactive power compensation.
When PV systems are not installed on-site, the grid draws a large amount of active power. Capacitor compensation has limits, so reactive power compensation is not complete. However, this is negligible compared to the grid’s active power use. Consequently, the system can still ensure a power factor above 0.9.
However, after PV systems are installed on site, solar output is often high.This can sharply reduce the active power used by loads connected to the grid.
In this scenario, capacitor compensation becomes crucial to balance the remaining reactive power with grid demand.
Concurrently, transformers and transmission lines generate additional reactive power, further increasing surplus reactive power on the high-voltage side.
This causes a sharp drop in on-site power factor and can trigger high electricity penalties. These penalties can lead to major losses for end-users and PV manufacturers.
III. "High Extraction and Low Compensation" Solution
Currently, power companies typically perform electricity metering on the high-voltage side. When calculating reactive power, they include the reactive power from low-voltage loads, transformers, and transmission lines.
Conventional low-voltage side mitigation measures can only offset reactive power from loads. They do not effectively address reactive power generated by transformers and transmission lines.
For PV power generation sites, we cannot overlook the reactive power generated by transformers and transmission lines.
Therefore, we have developed a "high sampling, low compensation" product application solution. This involves sampling at the high-voltage inlet. It then compensates at the low-voltage side. This achieves reactive power compensation on both the high- and low-voltage sides.
Compared with traditional high-voltage reactive power compensation devices, the "high harvest, low compensation" solution cuts costs significantly. It also offers simple installation and easy maintenance.
1. Core equipment selection: High compensation accuracy and fast response speed
In PV power generation systems, due to their minimal active power consumption, extremely high compensation accuracy is essential for reactive power management. Traditional capacitor compensation devices fail to meet requirements because of their stepwise compensation mode and response time limitations.
The SVG static var generator uses voltage-source inverter principles. It uses IGBTs to control the magnitude and phase of the inverter’s AC voltage. This generates inverted reactive compensation currents that cancel out with grid reactive currents, achieving effective reactive power compensation.
With IGBTs switching at tens of kHz, SVG systems can quickly compensate reactive loads in 5 ms or less.
They maintain high precision of 99% or more.
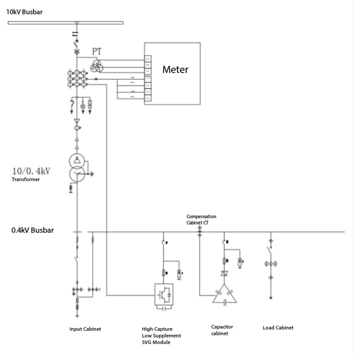
2. Deployment plan: High-pressure sampling with low-pressure 1compensation
When working on reactive power compensation at PV sites, you must do the compensation on the low-voltage side. Accounting for reactive power generated by transformers and high-voltage cables is also important. Managing leftover reactive power on the high-voltage side is vital. This necessitates sampling measurements from the high-voltage side. Engineers employ two primary sampling methods: direct current sampling from the high-voltage side and multi-function meter sampling.Direct sampling of high-voltage side current: Sample the high-voltage side current directly. Set the voltage-current phase angle using the transformer model. Calculate the reactive power on the high-voltage side. Then apply reactive power compensation on the low-voltage side. The schematic diagram is shown below:

Multifunctional meter sampling: Install a multifunctional meter on the high-voltage side. It samples secondary voltage and current signals. It then calculates reactive power.
The system sends the calculated reactive power via RS485 to the SVG static var generator for compensation. The schematic diagram is shown below:
3. Installation selection: Flexible configuration with synergy between new and old systems
The "High Harvest Low Compensation" model can work with current on-site compensation systems. Its capacity is mainly set using residual reactive power on the high-voltage side.
The device offers flexible installation options including wall-mounted, cabinet-mounted, and containerized outdoor configurations, adapting to diverse field conditions.
During installation, check that the compensation current from the “High Harvest Low Compensation” system does not affect sampling.
Make sure it does not interfere with sampling by existing compensation devices. This helps keep their normal operation.
This approach enables the "High Harvest Low Compensation" unit to provide residual reactive power compensation, achieving high-precision reactive power compensation at reduced costs.
IV. Application Outcomes
Shanghai **New Energy Technology Co., Ltd. is an energy service provider with wide expertise. It specializes in energy-saving retrofits, power engineering, and clean energy generation. It also supports multi-energy integration and microgrid development. After the company installed PV systems at a factory in Xi’an, the on-site power factor dropped sharply. This led to electricity penalties, peaking at over 10,000 yuan per month.To address electricity penalty issues, the site used a "high harvest, low compensation" solution. It installed a 200 kVAr SVG reactive power compensation device. The device compensates reactive power on the high-voltage side. After the intervention, the power factor improved significantly, and the site incurred no further electricity penalties.
1. Reactive power is significantly reduced
High-voltage measurement data shows that reactive power stayed near 20kvar at night before treatment. It rose above 60kvar during the day on the site’s high-voltage systems.
Post-treatment, reactive power decreased significantly, remaining stable at approximately 0kvar for most operational periods.

Reactive power on the high-voltage side before regulation

Reactive power on the high-voltage side after regulation
2. Significant improvement in power factor
After we implemented the remediation measures, the on-site power factor improved. It increased from 0.77 to 0.94 on the user’s electricity bill. The user not only avoided penalties but also received an electricity bill incentive.
V.Case Summary and Promotion Value
The high-extraction, low-compensation reactive power scheme is now the main solution. It addresses low power factor issues. These issues occur after PV systems are connected to the grid. It uses precise matching and efficient regulation. Tailored to the operational characteristics of grid systems post-integration, this approach employs differentiated data collection and compensation strategies. By accurately spotting reactive power shortfalls and load changes, it allows targeted, dynamic reactive power adjustment. This quickly offsets losses and steadily improves overall power factor efficiency. This ensures ongoing compliance with power factor rules. It helps prevent non-compliance fines and lowers users’ operating costs.
The solution ultimately maximizes profitability for PV power generation projects.This solution demonstrates exceptional compatibility and synergy with PV power generation systems. It enables seamless integration and synchronized operation without major changes to existing PV equipment. It offers many benefits, including easy installation, stable performance, simple maintenance, controlled investment costs, and strong energy savings.
On one hand, it optimizes grid power quality by reducing line reactive power losses and enhancing transmission efficiency, ensuring stable PV power delivery. On the other hand, it helps users reduce financial risks and increase PV project profits. It balances user economic benefits with grid stability. This approach achieves a win-win scenario for green energy generation and compliant power consumption.
abonnez-vous à nous pour profiter des prix des événements et obtenir certains des meilleurs prix.
réseau ipv6 pris en charge