Test de fonctionnement parallèle SVG via la communication CAN
Ce test visait à vérifier les performances et la stabilité de
multiple
SVG (générateur de variables statiques)
unités fonctionnant en parallèle via la communication CAN
Lorsque les TC internes ne sont pas utilisés. Plus précisément, huit modules SVG ont été testés afin d'évaluer leur fonctionnement, la fiabilité de leurs communications et la cohérence de leur compensation de puissance réactive sous synchronisation CAN.
Standard: DLT1216-2019 Spécifications techniques pour les générateurs de tension statique basse tension
CT externe :
Installé côté alimentation, rapport 250:5
CT interne :
Communiqué via le bus CAN
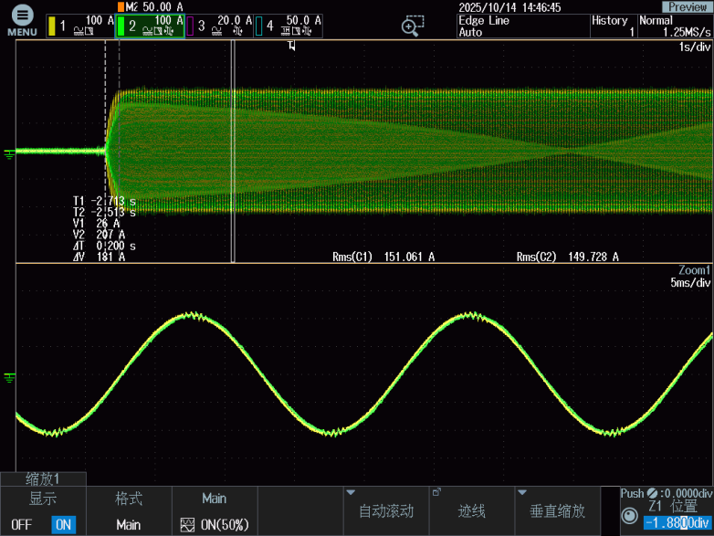
Signaux d'oscilloscope :
Jaune : courant de charge harmonique
Vert : courant de sortie total de tous les modules
La communication CAN utilisée
ID 10000001 à 10000008
, couvrant les huit unités, avec un
débit en bauds de 500 kbps
.
Le système a été testé avec un courant réactif variant de
0 A à +150 A
. Tous les modules ont démontré des transitions de compensation fluides et synchronisées, maintenant un fonctionnement stable sans oscillation de courant ni retard de communication.
Le système a été testé avec un courant réactif variant de
0 A à -150A.
Le courant de charge monophasé total était de 150 A. La puissance théorique par SVG était
18,75 A par phase
.
Les données mesurées sont les suivantes :
| Module | Phase A (A) | Phase B (A) | Phase C (A) | Notes |
|---|---|---|---|---|
| 1 | 17,8 | 17,7 | 17,8 | Écurie |
| 2 | 17,8 | 18.0 | 17,9 |
Le courant de sortie monophasé de la charge est de 150 A, et la sortie monophasée théorique d'un seul SVG est de 18,75 A. |
| 3 | 17,8 | 17,9 | 17,9 | |
| 4 | 17,8 | 17,9 | 19.0 |
Les performances de partage de courant entre les modules sont restées constantes, avec des écarts dans des limites de tolérance acceptables, confirmant
équilibrage de charge efficace
à travers le réseau SVG parallèle.
Le
Système SVG
démontré sa fiabilité
fonctionnement parallèle via la communication CAN
, permettant un contrôle précis du courant réactif et un partage équilibré du courant entre les modules.
Ce résultat valide que la coordination basée sur CAN peut remplacer efficacement la synchronisation interne du CT pour les configurations SVG multi-unités, offrant flexibilité, évolutivité et complexité de câblage réduite dans les applications d'ingénierie pratiques.
Pour plus d'informations, veuillez contacter l'ingénieur David sur WhatsApp au +86 18917353780
abonnez-vous à nous pour profiter des prix des événements et obtenir certains des meilleurs prix.
réseau ipv6 pris en charge